株式会社ティアフォー
ティアフォー、センサーフュージョン開発キットをシンプルな構成にリニューアル
2025年03月10日
株式会社ティアフォー
自動運転の民主化をビジョンに掲げるティアフォーは、自動運転システムおよび自律型マシンの開発を加速させる「センサーフュージョン開発キット」をリニューアルしました。今回のリニューアルでは、これまで2台のコンピューターを用いた接続構成を1台に統合し、よりシンプルで効率的な構成で高度な物体認識技術を導入できるようになります。

リニューアルしたセンサーフュージョン開発キット
本キットの概要
本キットは、ティアフォーが開発する自動運転用車載カメラと、LiDARおよび自動運転用コンピューターを統合し、センサーフュージョンによる高度な物体認識の開発環境をパッケージで提供しています。ティアフォーの自動運転システムの開発で利用実績のあるハードウェアとソフトウェアから構成され、取り扱いに関する説明書に沿って容易に導入できます。
本キットの導入により、利用者は適切なセンサーやコンピューターの選定、ROS(Robot Operating System)2を用いた開発環境の構築、システム間の同期やキャリブレーション、パーセプションモジュールの開発など、センサーフュージョンにかかる技術的な課題を解決し、高度な物体認識技術に要する開発工数を削減し、そして、製品の市場投入までの時間を短縮することができます。また、本キットで提供されるソフトウェアはオープンソースで公開されており、利用者は改良を加え、独自の研究開発を推進することができます。
リニューアルの主な特長
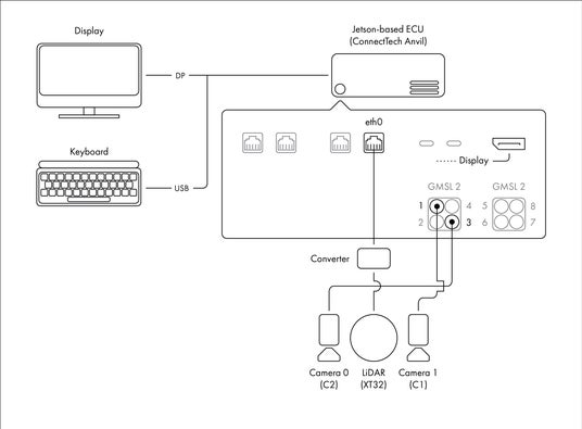
今回のリニューアルでは、高度なロボティクスや自律型マシンのためのエネルギー効率に優れたAIプラットフォーム「NVIDIA Jetson AGX Orin」を搭載した組込み用エッジコンピューティング製品に対応した構成になっています。本構成では、ティアフォーの車載カメラから取得したハイダイナミックレンジ(High Dynamic Range:HDR)の映像に深層学習技術を用いた画像認識、LiDARの点群処理と物体認識、およびセンサーフュージョンの処理を1台のコンピューターで実行できます。新しいソフトウェアおよびインストール手順のドキュメントは、Edge.AutoのGitHubリポジトリから入手できます。

ティアフォーの「C2カメラ」2つ、Hesai Technologyの「XT32」、Connect Techの「Anvil embedded system with NVIDIA Jetson AGX Orin」を用いたハードウェアの接続構成の例
本キットは、3月11日より開催される、組み込みシステム技術における世界有数のトレードショーであるembedded world Exhibition&Conference 2025で展示されます。展示は、パートナー企業のConnect Techのブースにてご覧いただけます。
製品のお問い合わせ
本製品に関するご質問は、edge.auto@tier4.jpまでお問い合わせください。
販売代理店のお問い合わせ
アイサンテクノロジー
https://aisan-mobility.com/en/lineup/c1/
Digiflec
https://digiflec.com/tier-iv/
ティアフォーについて
TIER IV(ティアフォー)は、「自動運転の民主化」をビジョンとし、世界初のオープンソースの自動運転ソフトウェア「Autoware」の開発を主導するディープテック企業として、自動運転システムの社会実装を推進しています。「Autoware」を活用したソフトウェアプラットフォームを自社製品として提供し、これらの製品を基盤に市場の需要に対応したソリューションを展開しています。「Autoware」が生み出すエコシステムを通じて、世界各地のパートナーと協力して自動運転システムの可能性を拡大し、より良い社会の実現を目指しています。
AutowareはThe Autoware Foundationの登録商標です。
━━会社概要━━
【社名】株式会社ティアフォー
【所在地】東京都品川区
【URL】https://tier4.jp
【設立年月】2015年12月
【主な事業内容】
・自動運転プラットフォーム開発事業
・自動運転ウェブサービス開発事業
・自動運転システム開発キット販売事業
・自動運転技術の教育事業
お問い合わせ先
Media Contact
pr@tier4.jp
企業プレスリリース詳細へ
PR TIMESトップへ
自動運転の民主化をビジョンに掲げるティアフォーは、自動運転システムおよび自律型マシンの開発を加速させる「センサーフュージョン開発キット」をリニューアルしました。今回のリニューアルでは、これまで2台のコンピューターを用いた接続構成を1台に統合し、よりシンプルで効率的な構成で高度な物体認識技術を導入できるようになります。

リニューアルしたセンサーフュージョン開発キット
本キットの概要
本キットは、ティアフォーが開発する自動運転用車載カメラと、LiDARおよび自動運転用コンピューターを統合し、センサーフュージョンによる高度な物体認識の開発環境をパッケージで提供しています。ティアフォーの自動運転システムの開発で利用実績のあるハードウェアとソフトウェアから構成され、取り扱いに関する説明書に沿って容易に導入できます。
本キットの導入により、利用者は適切なセンサーやコンピューターの選定、ROS(Robot Operating System)2を用いた開発環境の構築、システム間の同期やキャリブレーション、パーセプションモジュールの開発など、センサーフュージョンにかかる技術的な課題を解決し、高度な物体認識技術に要する開発工数を削減し、そして、製品の市場投入までの時間を短縮することができます。また、本キットで提供されるソフトウェアはオープンソースで公開されており、利用者は改良を加え、独自の研究開発を推進することができます。
リニューアルの主な特長
今回のリニューアルでは、高度なロボティクスや自律型マシンのためのエネルギー効率に優れたAIプラットフォーム「NVIDIA Jetson AGX Orin」を搭載した組込み用エッジコンピューティング製品に対応した構成になっています。本構成では、ティアフォーの車載カメラから取得したハイダイナミックレンジ(High Dynamic Range:HDR)の映像に深層学習技術を用いた画像認識、LiDARの点群処理と物体認識、およびセンサーフュージョンの処理を1台のコンピューターで実行できます。新しいソフトウェアおよびインストール手順のドキュメントは、Edge.AutoのGitHubリポジトリから入手できます。

ティアフォーの「C2カメラ」2つ、Hesai Technologyの「XT32」、Connect Techの「Anvil embedded system with NVIDIA Jetson AGX Orin」を用いたハードウェアの接続構成の例
本キットは、3月11日より開催される、組み込みシステム技術における世界有数のトレードショーであるembedded world Exhibition&Conference 2025で展示されます。展示は、パートナー企業のConnect Techのブースにてご覧いただけます。
製品のお問い合わせ
本製品に関するご質問は、edge.auto@tier4.jpまでお問い合わせください。
販売代理店のお問い合わせ
アイサンテクノロジー
https://aisan-mobility.com/en/lineup/c1/
Digiflec
https://digiflec.com/tier-iv/
ティアフォーについて
TIER IV(ティアフォー)は、「自動運転の民主化」をビジョンとし、世界初のオープンソースの自動運転ソフトウェア「Autoware」の開発を主導するディープテック企業として、自動運転システムの社会実装を推進しています。「Autoware」を活用したソフトウェアプラットフォームを自社製品として提供し、これらの製品を基盤に市場の需要に対応したソリューションを展開しています。「Autoware」が生み出すエコシステムを通じて、世界各地のパートナーと協力して自動運転システムの可能性を拡大し、より良い社会の実現を目指しています。
AutowareはThe Autoware Foundationの登録商標です。
━━会社概要━━
【社名】株式会社ティアフォー
【所在地】東京都品川区
【URL】https://tier4.jp
【設立年月】2015年12月
【主な事業内容】
・自動運転プラットフォーム開発事業
・自動運転ウェブサービス開発事業
・自動運転システム開発キット販売事業
・自動運転技術の教育事業
お問い合わせ先
Media Contact
pr@tier4.jp
企業プレスリリース詳細へ
PR TIMESトップへ